Mechanical Arm Rb12025 Uu P5 Precision Cross Roller Bearing Rotary Table Bearing

Still deciding? Get samples of $ !
Order Sample

Product Description

Product Overview
Mechanical Arm RB12025
Model NO.RB12025
Dimension120*180*25mm
Material50mn/42CrMo
AccuracyP2, P4, P5
Load DirectionThrust Bearing
Weight2.62kg
Product Description

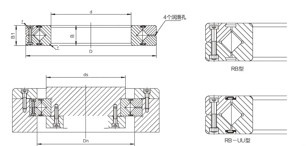
RB series crossed roller bearing

RB series (outer ring division type with inner rotating), this type is the basic type of crossed roller bearings. The outer rings have two parts, and the inner ring is one integer. The type is well applied to the situation which need high rotation accuracy on inner ring. For example, it is suitable for the rotary part of the indexing table of the tools machine.

✔ Bearing Characteristics:

  • High Precision: P4 precision, P2 precision for demanding applications.
  • High Rigidity: This series bearing features optimized preload for stability.
  • High Load: Can bear double-direction axial load, radial load, and tilting moment.
  • Compact Design: Small size helps save valuable space for machine tools.
Technical Parameters
TYPE Inner (d) Outer (D) Pitch (Dpw) Height (B) Chamfer (r) Shoulder (ds) Dh Cr Kn Cor Kn Weight (KG)
RB 200820362780.523.530.53.233.10.04
RB 3010305541.5100.637477.358.360.12
RB 5013508064130.657.47216.720.90.27
RB 1002010015012320111313333.150.91.45
RB 12025120180148.7251.513316466.91002.62
RB 20035200295247.73522252701512529.6
RB 50050500625561.6502.553658726765341.7
Working Principle & Structure

Crossed roller bearings operate on the principle of linear contact between the rollers and raceways. The rollers roll between the raceways, transmitting loads in all directions, including axial, radial and moment loads. The linear contact between the rollers and raceways ensures high rigidity and precision.

Structure Principle
Applications
  • Industrial Robotic arm, Reducer drive
  • Precision Turntable, NC rotary table
  • Medical equipment: CT scanners, X-ray machines
  • Machine tools: Milling machines, lathes, and grinders
  • Aero & Aviation equipment, radar systems
Detailed Photos
Product Detail
Product Process
Process 1 Process 2
Packaging & Shipping
Packaging
  • Industrial Neutral Packing
  • Small size: Plastic vacuum bag + Paper Box/Neutral Carton
  • Large size: Plastic film + pergamyn paper + Roll tape + Wooden Box
  • Shipping: Express (DHL/TNT/UPS/EMS), Air, or Sea
Manufacturing Excellence
Factory

We focus on high-precision Slewing bearings, cross roller bearings, and pinions with diameters from 50mm to 8000mm. Our team brings extensive technical experience to the bearing industry.

  • 16 years of professional R&D and marketing;
  • Advanced CNC equipment for guaranteed accuracy;
  • Comprehensive pre-sale and after-sale technical support.
Frequently Asked Questions
Are you a trading company or manufacturer?
We are a professional manufacturer specializing in high-precision bearings with over 20 years of industry experience.
How long is your delivery time?
Generally, it is 4-5 days if the goods are in stock. For items not in stock, it is approximately 45 days, depending on the order quantity.
Do you provide samples?
Yes, we can provide samples. Please note that sample costs and shipping are extra.
What are your terms of payment?
Our standard terms are 30% T/T in advance, with the remaining 70% balance due before shipment.
Can you provide customization for specific working conditions?
Absolutely. We can design and produce bearings tailored to meet the requirements of various specialized working environments.
What is your guarantee and after-sales service?
We provide lifelong after-sales technical service to ensure the optimal performance of our products throughout their lifespan.

Related Products