The GSJ series represents a breakthrough in industrial sealing technology, engineered for applications where reliability under extreme conditions is non-negotiable. This advanced mechanical seal is designed for critical rotating equipment—including pumps, mixers, and compressors—in sectors such as chemical processing, pharmaceuticals, power generation, and offshore oil & gas.
Crafted from premium-grade materials like silicon carbide, tungsten carbide, and specialized elastomers, the GSJ seal delivers exceptional resistance to abrasion, chemical attack, and thermal stress. Its innovative hydrodynamic wave face design ensures a stable fluid film, drastically reducing friction and wear for unparalleled longevity. The balanced design accommodates high-pressure fluctuations up to 100 bar and rotational speeds exceeding 5000 rpm.
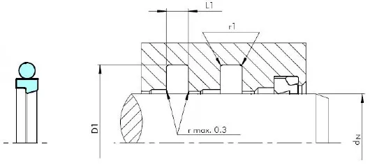
| Range of d mm | D mm | L | d1 | C ≥ | R1 ≤ |
|---|---|---|---|---|---|
| 4-18 | d+4.9 | 2.2 | 1.8 | 2 | 0.4 |
| 8-25 | d+7.3 | 3.2 | 2.65 | 2 | 0.4 |
| 19-150 | d+10.7 | 4.2 | 3.55 | 3 | 0.8 |
| 38-250 | d+15.1 | 6.3 | 5.3 | 5 | 1.2 |
| 50-250 | d+20.5 | 8.1 | 7 | 7.5 | 1.6 |
| 250-700 | d+24 | 8.1 | 7 | 8 | 1.6 |




